Palang xích kéo tay là gì ?
Palang xích kéo tay là loại palang xích được kéo bằng sợi xích nhỏ ở đầu vào thông qua hệ thống puly truyền lực để tăng lực kéo ở đầu ra. Nó được sử dụng trong các công việc lắp ráp, sửa chữa hoặc khi không có nguồn điện với tải nâng nhỏ , chiều cao nâng không lớn và sử dụng không thường xuyên.
Nguyên lý hoạt động
Dẫn động bằng xích kéo tay vòng qua bánh kéo làm quay trục dẫn của palang. Đĩa xích kéo tay thường có số răng nhỏ hoặc đường kính nhỏ. Tùy theo loại truyền động có palang xích kiểu trục vít và kiểu bánh răng. Loại sau so với loại trước có hiệu suất cao hơn nên có thể sử dụng để nâng vật nặng và với tốc độ lớn hơn.
Tham khảo video: Cận cảnh pa lăng xích kéo tay Nitto
Phân loại palang xích kéo tay
- Palang trục vít
- Palang xích kiểu bánh răng
Tham khảo video: Pa lăng xích kéo tay Nitto 1 tấn công nghệ Nhật Bản
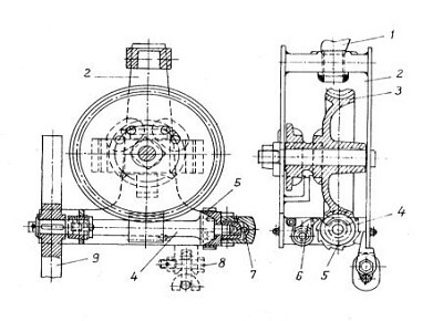
Palang trục vít gồm móc treo 1, bộ khung 2 trong đó có lắp bánh vít 3 gắn liền với đĩa xích treo tải. Trục vít 4 được dẫn động nhờ đĩa xích kéo 9. Bộ truyền trục vít được chế tạo không tự hãm. Palang trục vít được trang bị phanh tự động với mặt ma sát không tách rời.
Palang xích kéo tay kiểu trục vít
1. móc treo palang; 2. khung treo; 3 bánh vít cùng đĩa xích treo tải;
4. trục vít có gắn đĩa phanh nón; 5. bánh răng cóc đồng thời là đĩa phanh nón thứ hai;
6 cóc hãm; 7. bi cầu chịu nén; 8. chốt treo xích tải; 9. đĩa xích kéo
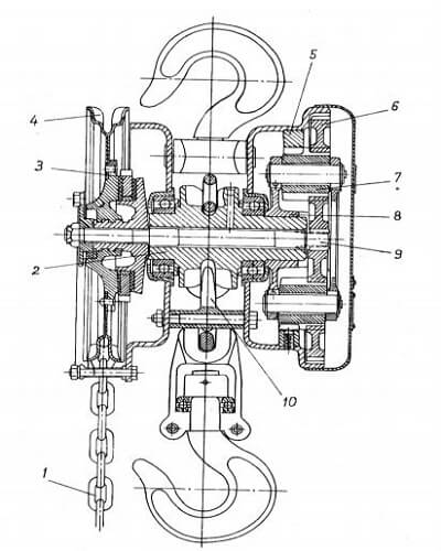
Palang xích kiểu bánh răng sử dụng bộ truyền hành tinh có kết cấu nhỏ. Momen được truyền từ bánh kéo 4 sang trục dẫn 9. Nhờ các bánh răng hành tinh 7 luôn an khớp với vành răng cố định 5 gắn trên vỏ nên các trục của bánh răng 7 làm cần 8 quay dẫn động cho đĩa xích tải 2. Palang được trang bị phanh tự động với mặt ma sát tách rời 3.
Palang xích kéo tay kiểu bánh răng
1. xích kéo; 2. đĩa xích tải; 3. phanh tự động; 4. đĩa xích kéo;
5. vành răng cố định; 6. bánh răng trung gian; 7. bánh răng hành tình;
8. cần của truyền động hành tinh; 9. trục dẫn; 10. xích tải
Tham khảo video: Thăm quan kho pa lăng xích tay Nitto của Lạc Hồng
- https://www2.sgc.gov.co/sgc/volcanes/Paginas/borrar/paginas.htm
- https://www2.sgc.gov.co/sgc/volcanes/Paginas/borrar/phong-kham-tri-uy-tin.html
- https://www2.sgc.gov.co/sgc/volcanes/Paginas/borrar/chi-phi-kham-phu-khoa.html
- https://bvdkht.vn/feedback/2628/dia-chi-dat-vong-tranh-thai.html
- https://bvdkht.vn/feedback/2553&phong-kham-hung-thinh.html
- https://bvdkht.vn/feedback/2628/dia-chi-chua-benh-giang-mai.html
- https://www2.sgc.gov.co/sgc/volcanes/Paginas/borrar/kham-benh-xa-hoi.htm
- https://bvdkht.vn/feedback/2660/dia-chi-cat-bao-quy-dau.html
- https://bvdkht.vn/feedback/2628/cach-lam-co-bui-tri-ngoai.html
- https://bvdkht.vn/feedback/2660/phong-kham-hung-thinh-380-xa-dan.html
- https://www2.sgc.gov.co/sgc/volcanes/Paginas/borrar/khi-hu-co-mau-sau-quan-he.html
- https://www2.sgc.gov.co/sgc/volcanes/Paginas/borrar/index.htm
- https://www2.sgc.gov.co/sgc/volcanes/paginas/borrar/dat-vong-tranh-thai.html
- https://www2.sgc.gov.co/sgc/volcanes/Paginas/borrar/dau-tinh-hoan-kham-o-dau.html
- https://www2.sgc.gov.co/sgc/volcanes/Paginas/borrar/direccion-aborto-seguro.html
- https://www2.sgc.gov.co/sgc/volcanes/Paginas/borrar/dai-tien-ra-mau.html
- https://www2.sgc.gov.co/sgc/volcanes/Paginas/borrar/hut-thai-co-dau-khong.html
- https://bvdkht.vn/feedback/2628/review-phong-kham-hung-thinh.html
- https://bvdkht.vn/feedback/2628/hut-thai-co-dau-khong.html
- https://www2.sgc.gov.co/sgc/volcanes/Paginas/borrar/phongkhamtriuytin.html
- https://www2.sgc.gov.co/sgc/volcanes/Paginas/borrar/dau-hieu-mang-thai.html
- https://www2.sgc.gov.co/sgc/volcanes/Paginas/borrar/clinica-de-andrologia-de-confianza.html
- https://www2.sgc.gov.co/sgc/volcanes/Paginas/borrar/recursos-minerales.htm
- https://bvdkht.vn/feedback/2553&kham-phu-khoa-o-dau
- https://bvdkht.vn/feedback/2656/hinh-anh-noi-mun-o-vung-kin-nu.html
- https://bvdkht.vn/feedback/2553&phong-kham-da-khoa-tu-nhan.html
- https://bvdkht.vn/feedback/2628/chi-phi-pha-thai-hut-thai-het-bao-nhieu-tien.html
- https://bvdkht.vn/feedback/2628/chi-phi-kham-phu-khoa.html
- https://www2.sgc.gov.co/sgc/volcanes/Paginas/borrar/dia-chi-chua-benh-liet-duong-o-dau-tot-nhat-ha-noi.html
- https://www2.sgc.gov.co/sgc/volcanes/Paginas/borrar/hinh-anh-sui-mao-ga-o-mieng.html
- https://www2.sgc.gov.co/sgc/volcanes/Paginas/borrar/costo-del-tratamiento-de-las-verrugas-genitales.html
- https://bvdkht.vn/feedback/2628/than-duong-vat-noi-mun-do-mun-trang.html
- https://www2.sgc.gov.co/sgc/volcanes/Paginas/borrar/294duong-vat-noi-mun.html
- https://www2.sgc.gov.co/sgc/volcanes/Paginas/borrar/chi-phi-kham-nam-khoa.html
- https://bvdkht.vn/feedback/2553&tu-van-phu-khoa-online.html
- https://bvdkht.vn/feedback/2553&cach-pha-thai-an-toan-nhat-2025
- https://www2.sgc.gov.co/sgc/volcanes/Paginas/borrar/bang-gia-phong-kham-hung-thinh.html
- https://www2.sgc.gov.co/sgc/volcanes/Paginas/borrar/chi-phi-cat-bao-quy-dau-o-ha-noi.html
- https://www2.sgc.gov.co/sgc/volcanes/Paginas/borrar/default.htm
- https://www2.sgc.gov.co/sgc/volcanes/Paginas/borrar/26-cach-tri-hoi-nach-vinh-vien-an-toan-nhat-tai-nha.html
- https://www2.sgc.gov.co/sgc/volcanes/Paginas/borrar/olor-de-axilas.html
- https://bvdkht.vn/feedback/2656/kham-phu-khoa-o-dau.html
- https://www2.sgc.gov.co/sgc/volcanes/Paginas/borrar/sui-mao-ga-o-nam.html
- https://www2.sgc.gov.co/sgc/volcanes/Paginas/borrar/benh-vien-kham-ngoai-gio-hanh-chinh.html
- https://www2.sgc.gov.co/sgc/volcanes/Paginas/borrar/tu-van-phu-khoa-online.htm
- https://www2.sgc.gov.co/sgc/volcanes/Paginas/borrar/dot-sui-mao-ga-o-dau294.htm
- https://bvdkht.vn/feedback/2628/tu-van-phu-khoa.html
- https://www2.sgc.gov.co/sgc/volcanes/Paginas/borrar/gestion-riesgo.htm
- https://www2.sgc.gov.co/sgc/volcanes/Paginas/borrar/chi-phi-va-mang-trinh.html
- https://www2.sgc.gov.co/sgc/volcanes/Paginas/borrar/hinh-anh-benh-tri.htm
- https://www2.sgc.gov.co/sgc/volcanes/Paginas/borrar/chi-phi-cat-bao-quy-dau.html
- https://www2.sgc.gov.co/sgc/volcanes/Paginas/borrar/benh-xa-hoi-294.htm
- https://www2.sgc.gov.co/sgc/volcanes/Paginas/borrar/hinh-anh-viem-lo-tuyen-co-tu-cung.htm
- https://www2.sgc.gov.co/sgc/volcanes/Paginas/borrar/costo-del-tratamiento-de-las-hemorroides.html
- https://www2.sgc.gov.co/sgc/volcanes/Paginas/borrar/sui-mao-ga-o-nu.html
- https://www2.sgc.gov.co/sgc/volcanes/Paginas/borrar/phong-kham-da-khoa-uy-tin.html
- https://www2.sgc.gov.co/sgc/volcanes/Paginas/borrar/tu-van-nam-khoa-online294.htm
- https://www2.sgc.gov.co/sgc/volcanes/Paginas/borrar/kham-phu-khoa-nhu-the-nao.html
- https://www2.sgc.gov.co/sgc/volcanes/Paginas/borrar/review-phong-kham-hung-thinh.html
- https://www2.sgc.gov.co/sgc/volcanes/Paginas/borrar/hinh-anh-sui-mao-ga294.htm
- https://www2.sgc.gov.co/sgc/volcanes/Paginas/borrar/tu-van-nam-khoa.html
- https://www2.sgc.gov.co/sgc/volcanes/Paginas/borrar/sui-mao-ga-o-mieng.html
- https://www2.sgc.gov.co/sgc/volcanes/Paginas/borrar/buscar.htm
- https://bvdkht.vn/feedback/2628/pha-thai-o-dau-an-toan.html
- https://bvdkht.vn/feedback/2553&pha-thai-o-dau-tot-nhat.html
- https://www2.sgc.gov.co/sgc/volcanes/Paginas/borrar/cach-lam-co-bui-tri-ngoai.html
- https://www2.sgc.gov.co/sgc/volcanes/Paginas/borrar/kham-phu-khoa-o-dau.html
- https://bvdkht.vn/feedback/2553&phong-kham-tri-uy-tin.html
- https://www2.sgc.gov.co/sgc/volcanes/Paginas/borrar/phong-kham-nam-khoa-uy-tin.html